基本說明
基本參數:
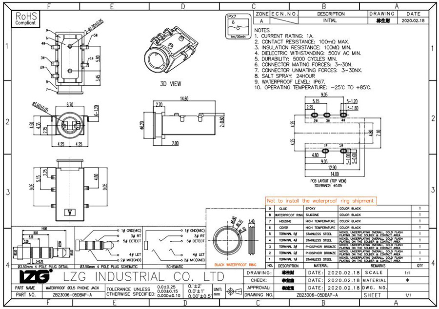
額定負荷 Rating :DC50V 0.5A
接觸電阻 Contact Resistance :50mΩMAX
絕緣阻抗 Insulation Resistance: 100MΩMIN
適用溫度 Ambient Temper.Used: -25 ℃ to 85 ℃
耐高壓 Withstand Voltage :AC 500V(50-60HZ) 1min
適用濕度 Ambient Humidety Used :85% RH
焊接溫度 Soldering Temper :265±5°10s
插拔力 Operating Force: 7-20N
產品應用范圍:
1、影音產品:MP3、MP4、DVD.音響;
2、數碼產品:數碼相機、數碼攝像機等;
3、遙控器:車輛、點卷門、家庭防盜產品之遙控器;
4、通訊產品:手機、車載話機、電話機、樓宇設備、PDA等;
5、家用電器:電視機、微波爐、電飯煲、電風、電子人體秤、電子脂肪秤、電子廚房秤等;
6、安防產品:可視對講機、監視器等;
7、玩具:電子玩具等;
8、電腦產品:攝像頭、錄音筆等;
9、健身器材:跑度機、按摩椅等;
10、醫療器材:血壓計、體溫計、醫院呼叫系統等;
11、其他:驗鈔筆、雷射筆等。
額定負荷 Rating :DC50V 0.5A
接觸電阻 Contact Resistance :50mΩMAX
絕緣阻抗 Insulation Resistance: 100MΩMIN
適用溫度 Ambient Temper.Used: -25 ℃ to 85 ℃
耐高壓 Withstand Voltage :AC 500V(50-60HZ) 1min
適用濕度 Ambient Humidety Used :85% RH
焊接溫度 Soldering Temper :265±5°10s
插拔力 Operating Force: 7-20N
產品應用范圍:
1、影音產品:MP3、MP4、DVD.音響;
2、數碼產品:數碼相機、數碼攝像機等;
3、遙控器:車輛、點卷門、家庭防盜產品之遙控器;
4、通訊產品:手機、車載話機、電話機、樓宇設備、PDA等;
5、家用電器:電視機、微波爐、電飯煲、電風、電子人體秤、電子脂肪秤、電子廚房秤等;
6、安防產品:可視對講機、監視器等;
7、玩具:電子玩具等;
8、電腦產品:攝像頭、錄音筆等;
9、健身器材:跑度機、按摩椅等;
10、醫療器材:血壓計、體溫計、醫院呼叫系統等;
11、其他:驗鈔筆、雷射筆等。
尺寸圖

小邁優勢
.jpg)
.jpg)
.jpg)
.jpg)